FORDULATSZÁM SZABÁLYZÓ POLÍROZÓKHOZ
- Cikkszám: 44-CD364
- Gyártó: UTÁNGYÁRTOTT
- Várható szállítás: 2026. április 22.
-
Elérhetőség:
10 db raktáron
-
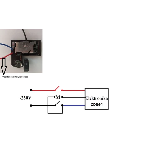
Figyelem! Kétféle bekötés!
Villámgyors
szállítás
szállítás
A raktáron lévő termékek akár másnapra az Ön otthonában lehetnek.
Óriási
raktárkészlet
raktárkészlet
Közel 20000 különféle alkatrész közül válogathat!
Segítünk ha
elakadtál
elakadtál
Kérdés esetén keressen minket bizalommal!
Hasonló termékek
BOSCH GWS850CE, GWS8-125CE, GWS8-100CE FORDULATSZÁM SZABÁLYZÓ ELEKTRONIKA
Cikkszám:K39-CD546
4 db raktáron
Ár:
6.160 Ft
Vélemények
Írja meg véleményét!
2022. 12. 10.
Nagyon kedves,segítőkész,pontos ,precíz szakemberek !Csak ajánlani tudom mindenkinek őket!